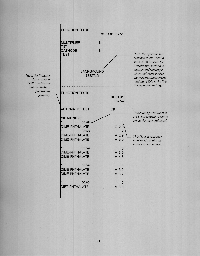
Tab E - Transcription of Fox Spectra Printout